Sıcak Su Hidroforu
Genelde güneş enerjilerindeki sıcak suyun basınçsız gelmesinden dolayı sıcak ve soğuk suyun istenilen oranda karıştırılmadığı için ve sıcak suyun tazyiğini artırmak için sıcak su hattına takılarak sıcak suyun basınçlandılmasında kullanılan otomatik sıcak su hidroforu dur.
Türkiye'nin en sıcak bölgelerinde bile aktif olarak kullanılmaktadır sorunsuz çalışır.
Sıcak suyunuzu soğuk şebeke suyunuzla aynı basınca getirir. Konforlu bir kullanım sağlar.
Sıcak suyunuzu sürekli aynı basınçta alırsınız, kesik kesik akma yada motorun durup çalışmasını hissetmetsiniz.
Sıcak su hattına bağlayıp fişe takmanız yeterlidir, ayar yada bakım gerektirmez.
Regen ZPS 20-12-180 Güneş Enerji Basınç Arttırıcı Pompa Nedir?
Bu hidroforun manüel ve otomatik olmak üzere iki farklı çalışma şekline sahiptir, manüel modda elektrik fişi takılı olduğu sürece çalışır, otomatik modda ise siz musluğu açtığınızda çalışır kapattığınızda durur. Tek daire de ve müstakil evlerde kullanım için idealdir, kullanıldığı evlerde sıcak suda tazyik sorunu yada suyu karıştırma ve ılıştırmada kesinlikle sorun yaşamazsınız. Sıcak suya dayanıklı ürünlerdir tüm güneş enerji sistemlerinde sorunsuz çalışır.
Otomatik modda çalıştığında su gelmediğinde yada kesildiğinde pompada kendini korumaya alacağı için arıza sorunu olmaz susuz çalışmaya karşı korumalıdır.
Pompamatlar sıcak suda kullanıldığı gibi suyun tazyik siz geldiği yerlerde de basınçlandırma da kullanılırlar.
Pompa ve motor salmastrasızdır, sızdırmazlık için iki conta ile bir yekpare ünite oluşturulur. Yataklar pompalanan sıvı ile yağlanır.
Regen ZPS 20-12-180 Güneş Enerji Basınç Arttırıcı Pompa Nelerdir?
Isıtma sistemleri, sıcak su sistemleri, ticari bina sıcak su sistemleri, soğutma ve klima sistemlerinde kullanılır.
Pompamat lar sıcak suda kullanıldığı gibi suyun tazyik siz geldiği yerlerde de basınçlandırma da kullanılırlar.
MODEL |
|
|
ÖLÇÜLER |
UNİONS |
N.W.(KG.) |
POWER(w) |
1 * 230 V (A) |
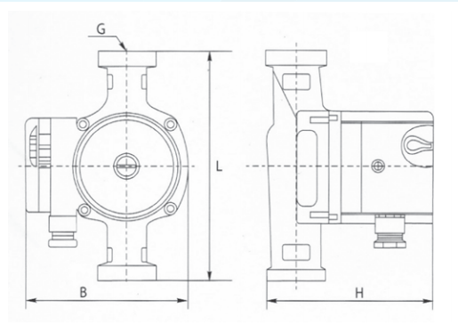
L |
H |
B |
DN |
DN1 |
|
RGN 20 -120 |
260 |
1,15 |
180 |
162 |
150 |
1” |
¾” |
4,2 |

Teknik Özellikler |
|
Voltaj |
220 V |
Frekans |
50 hz |
Koruma Seviyesi |
IP44 |
Motor Yalıtımı |
F |
Motor Güçü |
120-260 WATT |
Maksimum Çalışma Basıncı |
10 Bar |
Akışkan Sıcaklık Aralığı |
+2 °C /+ 100 °C aralığında |
Minimum Çevre Sıcaklığı |
+40 °C |
Akışkan Karakteristiği |
Temiz,katı parçacık ve mineral, yağ içermeyen, viskoz olmayan, kimyasal olarak nötr, su karekterine yakın.
|